Highlights From Building Science Summer Camp

10 MIN READ
Head counselor Joe Lstiburek presides over the 23rd annual Westford Symposium on Building Science. (Photo: Clayton DeKorne)

Head counselor Joe Lstiburek presides over the 23rd annual Westford Symposium on Building Science. (Photo: Clayton DeKorne)

Every summer for the last 23 years, Joe Lstiburek and Betsy Pettit have hosted the Westford Symposium on Building Science, more popularly known as “Building Science Summer Camp.” Legend has it that Joe and some other regulars of the Symposium (including Marc Rosenbaum and Andy Shapiro, who—for the last 23 years, presumably—have sat front and center asking insightful questions, and who, because of their constant presence and intense scrutiny of the speakers, are often fondly compared to Statler and Waldorf, the two cantankerous old men who critique Muppet performances) rued the fact that most industry conferences slot speakers for 50-minute, or even 30-minute, presentations. They thought “Wouldn’t it be great if we had our own conference where we could present for up to three hours at a time on a single topic.” If learning new material is the goal for attendees, that amount of time is needed by speakers to present complex topics and answer the questions that will inevitably arise. The idea was just too good to let go of, and the Westford Symposium was born. What made it Summer Camp was Joe’s playful style and Betsy’s gracious manner: Each night after the sessions, they turned their house and company grounds into a big party, complete with both Texas- and Louisiana-style BBQ (and for a long spate of years, Cuban BBQ along with cigars that were custom-rolled as you watched).

As in most past years, this year’s line-up of topics included a mix of residential and commercial work. Here, I’ll highlight just a few of those focused on residential construction.

One year with AeroBarrier. Gorde Cooke, the well-known building-science educator with Construction Instruction (constructioninstruction.com), provided an in-depth report on his work with AeroBarrier. Gorde, in addition to his work educating building professionals and consulting on projects, runs a building-performance contracting company in Toronto and for the last year has been installing AeroBarrier as an air-sealing solution for new homes and retrofits.

His company has long experience with AeroSeal—the duct-sealing system that was developed and patented in 1994 at Lawrence Berkeley Laboratory and that, by 2015, had sealed the duct systems in more than 100,000 homes and more than 30 million square feet of commercial space. Using a similar material but with a different delivery mechanism, AeroBarrier was launched in 2016 and is already largely seen as a transformative technology, owing to its automatic shell-sealing process, which not only allows you to dial-in the airtightness limit you want (what the budget allows) but also provides blower-door verification.

Gorde provided a detailed explanation of the AeroBarrier rig he uses (“a well-thought-out, self-sufficient trailer” that hauls all the apparatus required, including a generator, compressor, control module, and the “peristaltic,” or roller, pump used to deliver the sealing material), and of the process (namely the sealing off required, before starting to deliver AeroBarrier sealant, of holes and gaps you don’t want to seal, like vents and unfinished plumbing hook-ups, and the protection of “everything you don’t want to have to clean the sticky stuff off of”).

A portable heater blows directly into the blower-door fan—Gorde Cooke’s solution for extending the installation season for AeroBarrier in a cold climate.

Gorde Cooke

A portable heater blows directly into the blower-door fan—Gorde Cooke’s solution for extending the installation season for AeroBarrier in a cold climate.

The “big aha” for me hearing Gorde’s insights from the field came when he got into the fine detail on seal time. AeroBarrier coagulates around the edges of building leaks when the air increases velocity as it escapes through a hole. Thus, the size of the hole is a key limiting factor. The sealant is carried in a manufactured fog (water vapor) and the amount of sealant that can be pumped into a building without the vapor condensing is also affected by the outside temperature and relative humidity, indoor relative humidity, and house pressure. These limits are monitored by the control module, and everything works swimmingly in the Toronto region until around October when the outdoor temperatures get cool enough that the system doesn’t have enough heat to keep that indoor air above the dew point when the blower door is blowing outdoor air inside to pressurize the building. Gorde’s ingenious way to extend the installation season in a cold climate is to use a salamander heater in the path of the blower door’s intake (see photo above).

It’s on this point that Gorde largely answered the question of when it’s best to seal: before insulation, when you can seal the framing shell, or after drywall? For much of the season in a northern climate, it’s best to seal after drywall (which is also after MEP rough-in and insulation and when the building can be heated). Sean Harris of AeroBarrier of Austin, Texas, was on hand in the audience to provide the flip-side experience: In a warm climate, it makes more sense to seal the framing shell before insulation and drywall—a chief reason being that it’s just a whole lot faster to prep the building because you don’t have to worry so much about protecting surfaces. (Definitely, a big part of Summer Camp is the caliber of the audience!)

Hot-water-piping update. As a result of Gary Klein’s Summer Camp presentation, JLC is at work on an update to Gary’s JLC classic, “Efficient Hot-Water Piping” (Mar/13). Stay tuned for that in the near future. I won’t go into a lot of detail now, except to explain a useful concept for designing an efficient hot-water system that Gary refers to as “architectural compactness.” In a detailed study for the California Energy Commission aimed at developing code-change recommendations to improve the energy efficiency of hot-water systems, Gary’s team had to analyze the draw patterns (the frequency of occupants turning on their faucets and drawing hot water from the water heater).

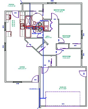
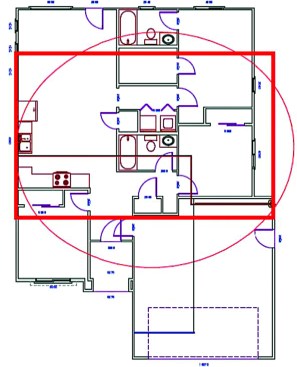
The general idea is that every time you draw hot water into a pipe, hot water stays in the pipe and heat dissipates out of the system, whether or not the pipe is insulated (insulation reduces how fast heat dissipates, but if hot water just sits in the pipe, there is still a loss over time) and whether or not any hot water actually reaches the faucet. For the study, as a way of rating the hot-water efficiency of houses built in California, Gary’s team analyzed thousands of floor plans of completed homes and derived a ratio (expressed as a percentage) for each plan of the hot-water-system rectangles (the area encompassed by the hot-water heater and all fixtures drawing hot water) to the overall floor area of the building. The lower this number, the more efficient the hot-water system. A typical system (shown above center) has a ratio of 79%, and the plan with a single plumbing wall (above right), about 0.8%.

In Gary Klein’s study of hot-water-piping efficiency, he analyzed floor plans for “architectural compactness.” A typical plumbing layout ropes in 1,279 sq. ft.

Gary Klein

In Gary Klein’s study of hot-water-piping efficiency, he analyzed floor plans for “architectural compactness.” A typical plumbing layout ropes in 1,279 sq. ft.

An excellent layout covers less than 10 sq. ft.

Gary Klein

An excellent layout covers less than 10 sq. ft.

One small but revelatory insight for me came when Gary mentioned the popularity of single-handle mixers in both kitchens and baths. Often the handle is kept in the middle—“because occupants think it looks better that way”—and every time the faucet is turned on, it draws some hot water whether it’s needed or not (say, for, rinsing hands or a vegetable or a utensil). That idea alone has changed my habits at home.

Even more advanced framing. Mike Steffen of Portland, Ore.- and Seattle-based Walsh Construction, a major Pacific Northwest (PNW) builder of large multifamily housing projects, provided a fascinating case study on seeking “radical simplicity” for lowering construction costs. In keeping with a true vision of housing affordability, the case-study project is built to near Passive House Standards, so that the living, not just the rent or mortgage, is affordable for occupants.

In the last few years, there has been an extreme escalation in the cost of multifamily housing in the PNW (and elsewhere), in part because the multifamily housing market is booming—subcontractor schedules are full and subs are increasing their margins, and the shortage of skilled labor has slowed production schedules. The result, Steffen reports, has been a 5% to 15% escalation in building costs annually for the last two years. These conditions have forced Walsh to pursue serious “cost discipline” for the 68% or so of a building’s costs that a builder “controls” (acknowledging that “cost control,” per se, is not really possible).

Walsh Construction’s efforts to optimize framing led to the wall framing system at top (compared here with typical northwestern wall framing, above) that achieves a 42% lumber reduction. Rather than a rim joist, 91/2-inch joists are hung from the top plate, saving lumber, eliminating a thermal bridge, and reducing labor for installing drywall on the interior.

Walsh Construction

Walsh Construction’s efforts to optimize framing led to the wall framing system at top (compared here with typical northwestern wall framing, above) that achieves a 42% lumber reduction. Rather than a rim joist, 91/2-inch joists are hung from the top plate, saving lumber, eliminating a thermal bridge, and reducing labor for installing drywall on the interior.

This project needs its own article, but the gist is that Walsh has used the project to explore “cost-efficient design and construction” (CEDC) practices. These aim at optimizing building layouts and finding simple designs for the hidden elements that comprise 80% of a building (such as the structure, enclosure, hidden exit stairways, MEP systems, and the like) and making the most of the 20% of the building that is directly experienced by occupants (such as the building plan, public stairways, community rooms, public roof decks, and so on). Mike is keen on emphasizing that CEDC is not a race to the bottom, which is often what happens when developers seek affordable solutions but end up providing rather grim living experiences instead. Look for more from us on CEDC. The illustration above gives a taste of its practicality for all wood-framed buildings.

Same questions after all these years. Martin Holladay, the long-time but recently retired editor of GreenBuildingAdvisor (greenbuildingadvisor.com), opened with “When I began working at the Journal of Light Construction in 1999, I was assigned to edit the magazine’s Q&A column” … and went on to say that for the last 20 years, he has been answering the same three questions:
1. How do I insulate a cathedral ceiling?
2. How do I insulate a basement wall?
3. Why is my HVAC contractor specifying oversized equipment?

On the first two questions, Martin offered clear advice:
For cathedral ceilings, “Having an airtight ceiling solves most problems.” To make this happen, builders need to be wary of following online advice, and the airtightness of the ceiling must be verified with a blower door. Generally, this means no can lights in the ceiling, and if you have a cut-up roof, don’t rely on a vented approach.

For basement insulation, the answer is to insulate on the interior with closed-cell spray foam or rigid insulation (the latter installed with close attention to airtightness), not batt insulation of any kind. The goal is to create an airtight and vapor-tight assembly.

But the real question Martin was interested in addressing was, why are these questions still being asked. His goal was to shine a bright light on our industry’s need for “a paradigm shift.”

The reasons these questions continue to be head-scratchers, he contended, is that there is so much conflicting information, much of it perpetuated by building product manufacturers, who continue to sell bad products (for instance, flimsy polystyrene vent chutes for cathedral ceilings and fiberglass blankets specifically marketed for basement and crawlspace walls) and provide bad advice (for instance, insulation manufacturers recommending roof venting without mentioning air-sealing or a weather-barrier maker saying you can’t tape sheathing or you will create a continuous, wrong-side “vapor barrier”).

Codes are also part of the problem, Martin said, in part because code officials don’t understand the codes, particularly around unvented roof assemblies, and in part because the code itself allows for batt insulation in crawlspaces and basements (the insulation requirements table even references R-13 and R-19, which are fiberglass-batt values). The solution, he said, is an alignment of building codes and manufacturer instructions with best practices.

For the last question, Martin’s most scathing criticisms were leveled at the HVAC industry, which he said is in crisis: Most HVAC contractors can’t perform a Manual-J calculation, even though it is mandated by code; most equipment is grossly oversized; many duct systems are unacceptably leaky; and many, if not most, ventilation systems don’t work.

Here again, Martin leveled many of his criticisms at manufacturers, in part for not making furnaces, boilers, and mini-splits that have lower capacities and modulate (Dettson is one exception he pointed to that makes a 15,000 Btu/h furnace that modulates down to 6,000 Btu/h in low-load conditions). The rest of his criticism was aimed at HVAC contractors (who he claimed are “the worst” as a whole of any trade), and building codes (namely for not providing enough training for code officials, who, he claimed, can’t distinguish a relevant Manual-J report from a bogus one).

The ultimate answer, he suggested, may be national legislation mandating contractor education and licensing, following a model that has been adopted widely throughout the rest of the developed world. It’s a radical idea. But then, most everything about Summer Camp is somewhat radical.

Register to download and view this article

Get your copy

About the Author

Clayton DeKorne

Clay DeKorne is the Chief Editor of the JLC Group, which includes The Journal of Light Construction, Remodeling, Tools of the Trade and Professional Deck Builder. He was the founding editor of Tools of the Trade (1993) and Coastal Contractor (2004), and the founding educational director for JLC Live (1995). Before venturing into writing and education for the building industry, he was a renovation contractor and carpenter in Burlington, Vt.

Follow Clay on Instagram: @jlconline

No recommended contents to display.

Upcoming Events